SHF-A1
Butterfly Valve
버터플라이 밸브는 원형 디스크를 회전시켜 유체의 흐름을 제어하는 밸브로, 구조가 간단하고 설치 공간이 적게 들어 경량화가 가능합니다. 빠른 개폐가 가능하며 대구경 배관에 적합합니다.
밸브종류
버터플라이 밸브
인증
-
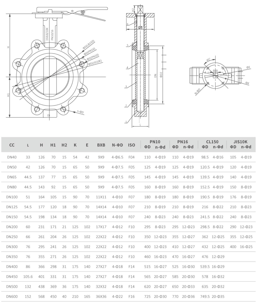
제작규격
15~600A
접속타입
Flange Type

웨이퍼형 버터플라이 밸브

스테인리스 웨이퍼형 버터플라이 밸브

러그형 버터플라이 밸브

플랜지형 버터플라이 밸브
특징 / Feature
-
웨이퍼형 버터플라이 밸브
• 제품 개요
산업용 Wafer Type Butterfly Valve 더블옵셋에 대한 주요 사양
• 구성 부품 및 재질
| 부품 번호 | 설명 | 재질 |
|---|---|---|
| 1 | 밸브 본체 | 주철 / 연철 |
| 2 | 디스크 | 에틸렌 / PTFE / 우레탄 |
| 3 | 시트 | 304/316 스테인리스 / 나일론 / 청동 |
| 4 | 밸브 샤프트 | SS416 / 45# |
| 5 | 부싱 | QSn-4 |
| 6 | O-링 | EPDM |
| 7 | 핸들 | Q235 / 조립품 |
• 성능 (Performance)
- 압력 등급: 1.6MPa / 150LB / 10K
- 수압 테스트 (본체): 2.4MPa / 3.0MPa / 3.0MPa
- 수압 테스트 (시트): 1.1MPa / 1.76MPa / 2.2MPa
- 기압 테스트: 0.6MPa
- 사용 온도: -55℃ ~ 200℃
• 적용 표준 (Standards)
| 설명 | 적용 기준 |
|---|---|
| 설계 / 제조 | API 609, JIS 2032 |
| 구조 길이 | API 609, JIS 2032 |
| 플랜지 기준 | ASME B16.5, JIS B2213 |
| 검사 기준 | API 598, JIS B2003 |
-
스테인리스 웨이퍼 밸브

• 제품 개요
304/316 스테인리스 재질의 중선 대칭형 버터플라이 밸브로, 내식성과 위생성이 중요한 산업 환경에 적합한 제품입니다.
• 구성 부품 및 재질
| 부품 번호 | 설명 | 재질 |
|---|---|---|
| 1 | 밸브 본체 | 304 / 316 |
| 2 | 디스크 | 에틸렌 / PTFE / 우레탄 |
| 3 | 시트 | 304 / 316 / 나일론 / 청동 |
| 4 | 밸브 샤프트 | SS416 |
| 5 | 부싱 | QSn-4 |
| 6 | O-링 | EPDM |
| 7 | 핸들 | Q235 / 조립품 |
• 성능 (Performance)
- 압력 등급: 1.6MPa / 150LB / 10K
- 수압 테스트 (본체): 2.4MPa / 3.0MPa / 3.0MPa
- 수압 테스트 (시트): 1.1MPa / 1.76MPa / 2.2MPa
- 기압 테스트: 0.6MPa
- 사용 온도: -55℃ ~ 200℃
• 적용 표준 (Standards)
| 설명 | 적용 기준 |
|---|---|
| 설계 / 제조 | API 609, JIS 2032 |
| 구조 길이 | API 609, JIS 2032 |
| 플랜지 기준 | ASME B16.5, JIS B2213 |
| 검사 기준 | API 598, JIS B2003 |
-
러그형 버터플라이 밸브

• 제품 개요
Lug 타입은 배관 양측에서 독립적으로 밸브를 탈착할 수 있는 구조로, 유지보수성이 뛰어난 제품입니다.
• 구성 부품 및 재질
| 부품 번호 | 설명 | 재질 |
|---|---|---|
| 1 | 밸브 본체 | 주철 / 연철 |
| 2 | 디스크 | 에틸렌 / PTFE / 우레탄 |
| 3 | 시트 | 304 / 316 / 나일론 / 청동 |
| 4 | 밸브 샤프트 | SS416 / 45# |
| 5 | 부싱 | QSn-4 |
| 6 | O-링 | EPDM |
| 7 | 핸들 | Q235 / 조립품 |
• 성능 (Performance)
- 압력 등급: 1.0MPa / 1.6MPa / 150LB / 10K
- 수압 테스트 (본체): 2.4MPa / 3.0MPa / 3.0MPa
- 수압 테스트 (시트): 1.1MPa / 1.76MPa / 2.2MPa
- 기압 테스트: 0.6MPa
- 사용 온도: -55℃ ~ 200℃
• 적용 표준 (Standards)
| 설명 | 적용 기준 |
|---|---|
| 설계 / 제조 | API 609, JIS 2032 |
| 구조 길이 | API 609, JIS 2032 |
| 플랜지 기준 | ASME B16.5, JIS B2213 |
| 검사 기준 | API 598, JIS B2003 |
-
플랜지형 버터플라이 밸브

• 제품 개요
Flange Type은 플랜지 방식으로 배관에 직접 볼트 체결하는 구조로, 강한 밀폐력과 높은 내압 특성이 요구되는 산업 환경에 적합합니다.
• 구성 부품 및 재질
| 부품 번호 | 이름 | 재질 |
|---|---|---|
| 1 | 밸브 본체 | 주철 / WCB / 304 / 316 |
| 2 | 디스크 | 에틸렌 / PTFE / 우레탄 |
| 3 | 시트 | 304 / 316 / 청동 / 나일론 |
| 4 | 하부 샤프트 | 45# / 416 |
| 5 | 상부 샤프트 | 45# / 416 |
| 6 | 긴 슬리브 | PTFE |
| 7 | 짧은 슬리브 | PTFE |
| 8 | O형 링 | NBR |
| 9 | 플랫 키 | 45# |
| 10 | 고무 탄성 와셔 | 65Mn |
| 11 | 구멍 고정 와셔 | 65Mn |
| 12 | 스핀들 | 65Mn |
• 성능 (Performance)
| 구분 | 1.0MPa | 1.6MPa |
|---|---|---|
| 밀폐 시험 압력 | 1.1MPa | 1.76MPa |
| 본체 시험 압력 | 1.5MPa | 2.4MPa |
| 작동 온도(EPDM) | -20℃ ~ 110℃ | -20℃ ~ 110℃ |
| 작동 온도(NBR) | -20℃ ~ 90℃ | -20℃ ~ 90℃ |
• 적용 표준 (Standards)
| 설명 | 적용 기준 |
|---|---|
| 설계 / 제조 | – |
| 구조 길이 | PN10/PN16 |
| 플랜지 표준 | ISO 5211 |
| 시험 기준 | – |






